Umlaufheizsystem Mod. 317

SUEVIA Druckregler- und Pumpensystem auf Metallplatte: elektrische Steuereinheit mit blauem Knopf, schwarze Pumpe, Manometer, Messingventile und Anschlussleitungen.
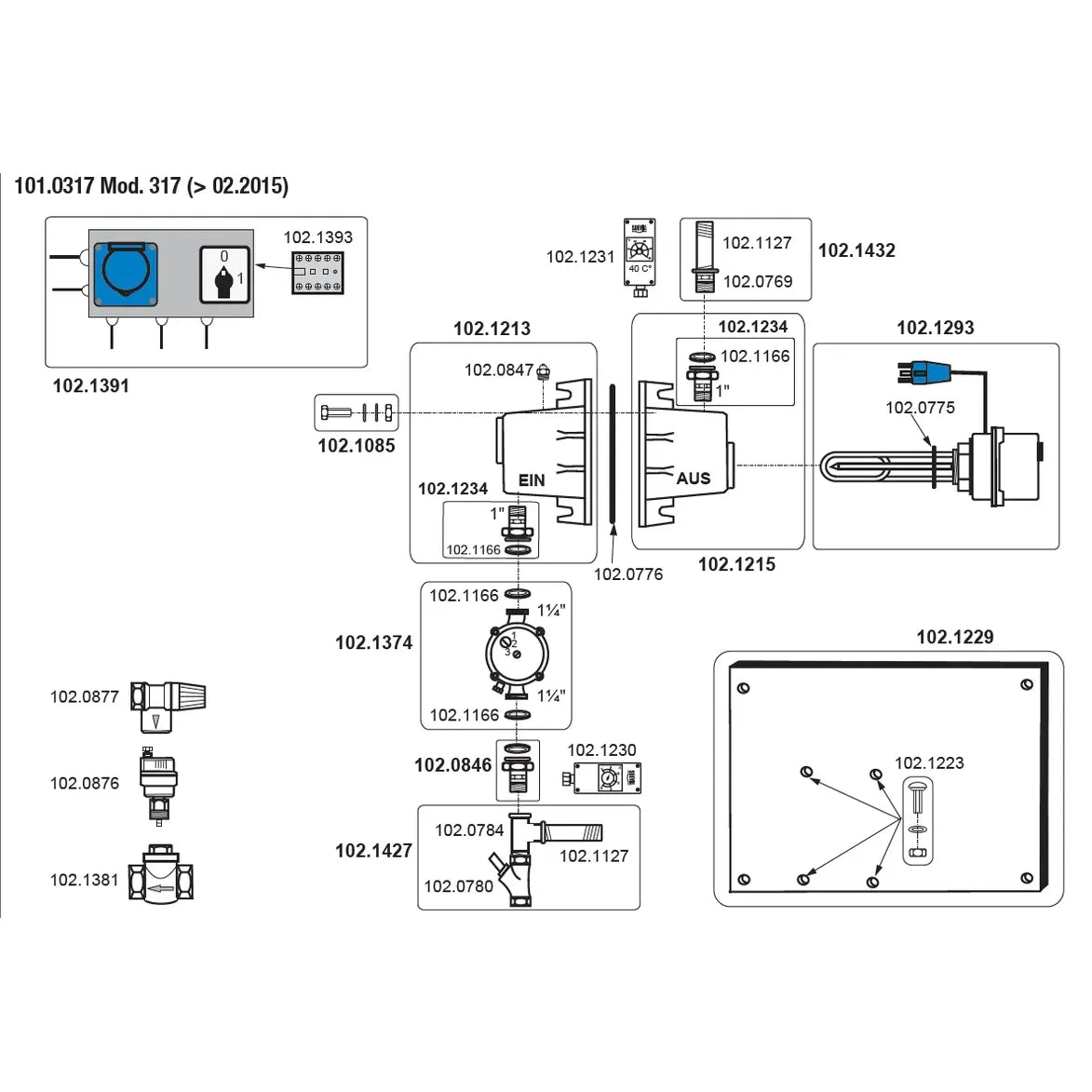
Detailansicht eines Heizungsregelblocks auf einer Montageplatte mit Hauptschalter, Vorlauf- und Rücklaufleitungen, Thermostat, Heizstab und Umwälzpumpe.
  • Thermostatgesteuerte Temperaturregelung
  • Energieeffiziente 3 kW Heizspirale
  • Komplett montiert und anschlussfertig

Artikelnummer: 1010317

Umlaufheizsystem Mod. 317

Artikelnummer: 1010317
  • Thermostatgesteuerte Temperaturregelung
  • Energieeffiziente 3 kW Heizspirale
  • Komplett montiert und anschlussfertig

Normaler Preis CHF 1,660.00
inkl. MwSt. Versandinformation

Lieferzeit 3-5 Werktage

/
twint kauf pf mc visa paypal ae

Wassermengenzähler Default Title

Normaler Preis CHF 52.30 CHF 43.60

Durchflussanzeige für 3/4" Anschluss

CHF 41.70

Automatik-Entlüftungsventil Default Title

CHF 29.80

Rohrschutz feuerverzinktes Stahl

Normaler Preis CHF 22.60 CHF 15.90

Warnanlage für Umlaufheizsystem Default Title

CHF 159.00

Ideal für:

Milchkuh Rind Bulle Kalb Pferd Pony Schaf Ziege

Umlaufheizsystem Mod. 317:

- mit Thermostat im Vorlauf
- mit Rücklauftemeratur-Steuerung
- 1 Stück 230 V / 3 kW Heizspirale
- Umwälzpumpe (93 W)
- Rückschlagventil
- Rückschlagklappe
- Überdruckventil
- Automatik-Entlüfter und Hauptschalter
- Anschlussfertig auf Grundplatte montiert
- FI-Schalter 30 mA bauseits erforderlich
- Wasserdruck max. 4 bar
- Wasseranschlüsse 1/2" oder 3/4”
- Leitungslänge: max. 200 m
- max. Höhenunterschied (Vor-Rücklauf) 5 m
- ideal in Verbindung mit Tränkebecken Modellen 25R, 115, 19R bzw.
Forstal mit T-Stück

Lieferumfang:
Heizgerät 3 kW, Regelthermostat (0 – 40° C), 3-stufige Umwälzpumpe, Hauptschalter, Überdruckventil, Automatik-Entlüfter, Rückschlagventil und Rückschlagklappe, Rücklauf-Thermostat

Länge: 60 cm
Breite: 39 cm
Höhe: 22 cm

Installation vom Fachmann durchführen lassen.
Vergessen Sie nicht, die Zuleitung gegen Einfrieren zu schützen

Warum Sanilu?

Schweizweiter kompetenter Montageservice!

Gemeinsam für mehr Tierwohl!

Wir beraten Sie gerne!

Diese Produkte könnten Ihnen auch gefallen: